*Bestellt vor 17:00 Uhr am Werktage, nächste Werktage versendet (Ausser Pneus und Karosserieteile)

HELLA Bremsscheibe 8DD 355 133-731 PRO

Marke HELLA
Art.Nr. 8DD 355 133-731
ID
EAN 4082300737554
Preis pro Stück. Bestellbar per 2 Stück. Mindest bestellbar 2 Stück.
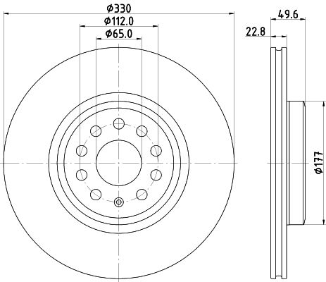
Eingenschaften:
  • Bremsscheibenart: innenbelüftet
  • Außendurchmesser: 330 mm
  • Bremsscheibendicke: 22,8 mm
  • Höhe: 49,6 mm
  • Mindestdicke: 21,5 mm
  • Oberfläche: beschichtet
  • Innendurchmesser: 166 mm
  • Lochkreis-Ø: 112 mm
  • Zentrierungsdurchmesser: 65 mm
  • Bohrbild/Lochzahl: 05/10
  • Radbolzenbohrung-Ø: 15,3 mm
  • Ergänzungsartikel/Ergänzende Info 2: ohne Radnabe
  • Ergänzungsartikel/Ergänzende Info 2: ohne Radlager
  • Ergänzungsartikel/Ergänzende Info 2: ohne Radbefestigungsbolzen
  • Gewicht: 8,4 kg
  • Montage/Demontage durch Fachpersonal erforderlich!:
Dieses Produkt ist nicht verfügbar
Marke Produkt Art.Nr. Preise
FEBI BILSTEIN Bremsscheibe
184654
77.69 CHF
TEXTAR Bremsscheibe
92327103
121.34 CHF
Daten werden geladen. Bitte einen Moment Geduld.